Shine Like the Sun



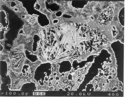
Plate 4.1. BSE image of Fustat Lustre-painted ware (FUA.04), showing detail of proto-stonepaste body, with inclusion or relict glass (at centre) containing inclusions of wollastonite (long acicular white crystals), diopside (shorter, wider and darker grey) and cristobalite (stumpy dark grey crystals) and a relict interstitial glass phase.


Return to Table of Contents