Shine Like the Sun



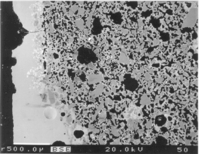
Plate 6.2. BSE image of "Silhouette" ware (ASH.57), showing detail of black slip consisting of quartz and chromium-rich grains, and alkaline glaze (interface with body to right).


Return to Table of Contents